BDH-GJLZ-400
BODINGHUI
| Availability: | |
|---|---|
| Quantity: | |
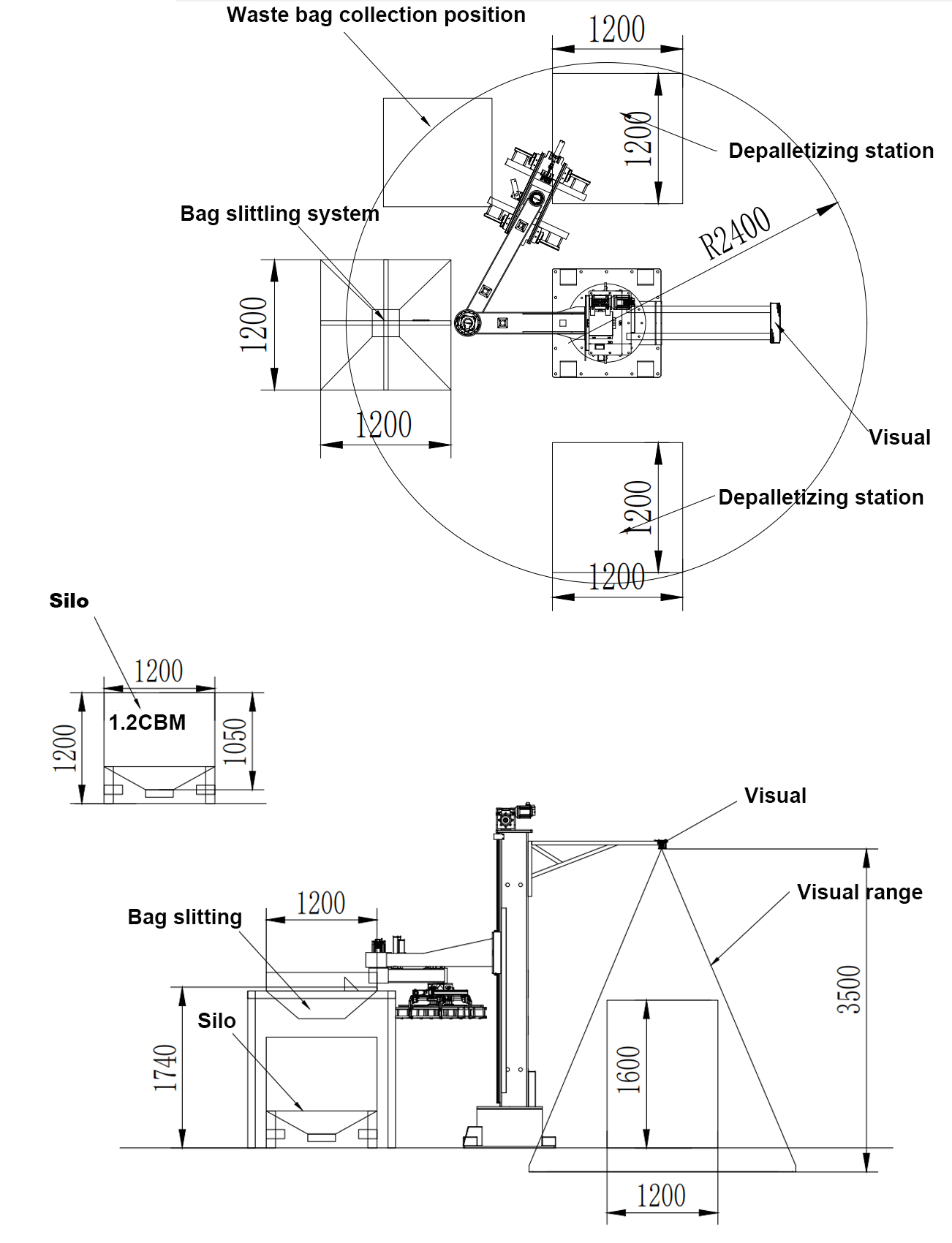
Automatic Bag Unpacking Machine Depalletizer Robot working flow:

Automatic Robot Arm can handle bags bottles to set-up position

This automatic depalletizing robotic arm system consists of a column robot body, a base, and a gripper. The robot body adopts a 4-axis robot, including a robot control cabinet and a teaching box; The main function of the robot gripper is to grab and transport various specifications of bags on the pallet, and automatically feed the bags by unstacking and breaking them.
The depalletizer robot gripper has a precise structure, good stability, high efficiency, and high mechanical automation.
√ Power components: The power components use AIRTAC cylinders, which run smoothly and have accurate positioning. The power structure adopts hollow guide columns as support, linear bearings as moving parts, and joint bearings installed to carry large and flexible movements.
√ Bag positioning component: made of hard metal, with sufficient strength, light weight, durable, and accurate bag positioning.
√ Electromagnetic valve control component: adopts integrated electromagnetic valve, centralized control, beautiful and elegant.
(1) Function: Automatically dismantle and place finished bags in reasonable positions through robots. Full Chinese and English operation interface, easy and fast to operate Convenient parameter setting with password protection
(2) Process description The entire system consists of a robot system, an unpacking platform, etc., to complete the unpacking work of finished bags. First, the forklift inserts the finished products into the full stack position and sends them to the unpacking station. Using a dedicated unpacking gripper installed on the robot, the bags are quickly and accurately grasped. According to the set program, individual bags are transported to the bag slitting device for unpacking.





Who are we?
A: As a leading manufacturer of packaging equipment, Shanghai Bodinghui Automation Packaging Machinery specializes in designing and producing high-performance packaging systems for industries worldwide.
With over 15 years of experience, we deliver cutting-edge technology combined with worldwide reliable engineering.
How do I know which machine I need?
A: Please provide your requirements and circumstances in as much detail as possible. This information is basic and important to help us recommend the right machine for you.
What details should I provide?
A: Usually, we need to know the details of your product, the material, size, shape of the bag, the weight of the package and so on. Good communication is very important, so if you have questions, don't hesitate to ask and get in touch.
Where is your factory located?
A: We are located in the Jinshan District of Shanghai. We are always here to welcome you.
How about your warranty?
A: Our warranty is 12 months.
Normally, the general after-sale service may be as below:
1) The technical support is permanent.
2) The paid spare parts could be provided at any time.
As a leading manufacturer and supplier of industrial automated machinery, we introduce this high-capacity packing solution engineered for bulk material handling. Designed for continuous, heavy-duty operations, it seamlessly integrates into unmanned production environments to elevate your facility's output.
Efficiently processes heavy loads ranging from 10Kg to 25Kg.
Delivers a rapid, adjustable throughput of 600 to 900 units per hour.
Ideal for volume buyers seeking reliable, automated granular material management.